bit3_ref
This is an old revision of the document!
Table of Contents
设计要点
串口控制台
控制台UART_RX0设计时,外部请考虑上拉电阻到3.3V,例如10K、4.7K、3.3K等等。防止RX0受到干扰情况下执行“命令”。
免焊救砖
免焊救砖指的是如果UBOOT损坏了,我们就称板子变砖了,虽然几率极小,但也只能使用SPI编程器对板子进行“救砖操作”
而免焊救砖指的是在不需要把FLASH芯片焊接下来的情况下,利用SPI编程器的SPI接口连接BIT模块的SPI0对应管脚进行救砖。
BIT模块相较市面上其他模块,这部分特性把FLASH的供电独立了出来。推荐用户为了量产后维护方便,可以将SPI_MISO、SPI_MOSI、SPI_CLK、SPI_CS0、VDD_FLASH预留焊盘。
兼容设计
| 配置详情 | VDD_FLASH供电 | uboot | openwrt |
|---|---|---|---|
| 16MB FLASH | 3.3V电源经过低Vf二极管到VDD_FLASH 例如RB520S30 | uboot的master分支及fix32M4B都适用 | 各版本适用 |
| 32MB FLASH(3B地址模式、CS1上电前为低) | 按照最小系统推荐电路,一个MOS+一个三极管配合复位信号断电 | ||
| 不具备免焊救砖功能,系统不需要复位按钮 | 3.3V电源和VDD_FLASH直接相连 |
| 情况 | 16MB及以下FLASH容量 | 32MBFLASH容量 |
|---|---|---|
| 具备免焊救砖功能,系统设计了复位按钮 | 3.3V电源经过低Vf二极管到VDD_FLASH,例如RB520S30 | 按照最小系统推荐电路,一个MOS+一个三极管 |
| 不具备免焊救砖功能,系统设计了复位按钮 | 3.3V电源和VDD_FLASH直接相连 | 按照最小系统推荐电路,一个MOS+一个三极管 |
| 不具备免焊救砖功能,系统不需要复位按钮 | 3.3V电源和VDD_FLASH直接相连 | 3.3V电源和VDD_FLASH直接相连 |
可能影响模块启动的PINS
- 要点2:如下PIN,保持上电时为外部电路外高阻态。
| PIN | 描述 |
|---|---|
| A2 | I2S_SDO |
| A8 | SPI_CS1 |
| A9 | SPI_CLK |
| A11 | SPI_MOSI |
| B1 | UART_TXD0 |
| C6 | UART_TXD1 |
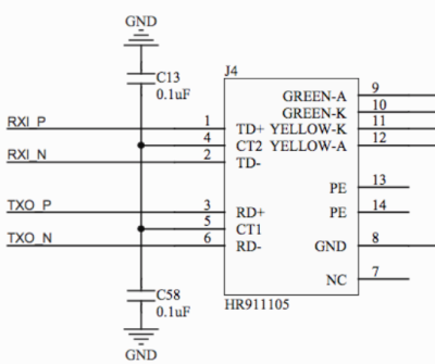
- MT7688的网络PHY为电压输出型,如果连接网络变压器 ,中心抽头仅对地0.1uF电容即可, 不需要额外的四个电阻,如果想省去网络变压器,连接方式需要参考NEO的原理图网路部分。
- WPS为用户按键(GPIO38),默认Uboot启动会检测此引脚电平,原理图设计请上拉到3.3V。
- 电源处,需要1 个10uF去耦电容,布局时尽量靠近核心板的C17引脚。
- RF跳线电阻要紧挨C2引脚,可确保仅使 I-PEX端子时获得最佳性能。
bit3_ref.1522516060.txt.gz · Last modified: (external edit)

