bit3_ref
Table of Contents
BIT3外围设计
FLASH地址模式
- 启动的SPI总线寻址地址格式分为3Byte和4Byte两种,3Byte最大寻址16MB。(以前一些路由器使用的3B地址模式能依靠扩展指令达到寻址32MB FLASH的目的,但这种方法有弊端)
- winbond的W25Q256 SPI-FLASH默认3B寻址,但可以通过设置ADP位为1将寻址改为4B模式,不受断电的影响。
- 同理,7688启动CS1拉低是3B,拉高是4B,不管如何选择,FLASH地址模式和7688启动地址模式必须有对应,即3B对应3B,4B对应4B,否则启动失败。
- 不同的地址模式需要烧录对应的Uboot,而OpenWrt已经都兼容。
MT7688启动模式相关引脚
具体7688启动模式如下图:
下表就是BIT3模组本身已经对这些PIN做的处理,所以底板在设计时使用到这些PIN一定要谨慎。
| 描述 | 模组已做的处理 |
|---|---|
| I2S_SDO | 4.7K下拉 |
| SPI_CS1 | 4.7K下拉(默认3B模式) |
| SPI_CLK | 4.7K上拉 |
| SPI_MOSI | 4.7K下拉 |
| UART_TXD0 | 4.7K下拉 |
| UART_TXD1 | 4.7K上拉 |
由于核心板没有对SPI_CS1上拉,所以如果拿到了4B模式的BIT3,需要底板给SPI_CS1加一个1K的上拉电阻。
串口控制台
控制台UART_RX0设计时,外部请考虑上拉电阻到3.3V,例如10K、4.7K等等。防止UART_RX0受到干扰情况下执行“命令”。
免焊救砖
免焊救砖指的是如果UBOOT损坏了,我们就称板子变砖了,虽然几率极小,但也只能使用SPI编程器对板子进行“救砖操作”
而免焊救砖指的是在不需要把FLASH芯片焊接下来的情况下,利用SPI编程器的SPI接口连接BIT模块的SPI0对应管脚进行救砖。
BIT模块相较市面上其他模块,这部分特性把FLASH的供电独立了出来。推荐用户为了量产后维护方便,可以将SPI_MISO、SPI_MOSI、SPI_CLK、SPI_CS0、VDD_FLASH预留焊盘。
VDD_FLASH供电
BIT4,BIT5的VDD_FLASH引脚无需用户处理
| FLASH容量< =16MB | FLASH>=32MB,且4B地址模式 | FLASH>=32MB,且3B地址模式(该模式已经逐渐淘汰) |
|---|---|---|
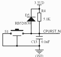
3.3V电源经过低Vf二极管到VDD_FLASH,例如RB520S30 | 3.3V电源经过低Vf二极管到VDD_FLASH,例如RB520S30 CS1通过1K电阻拉高到3.3V电平 | 通过CPURST_N信号和MOS、三极管组成FLASH断电电路 |
复位电路
电源去藕
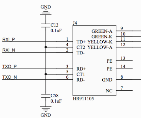
网口
bit3_ref.txt · Last modified: by 127.0.0.1







